德冠高壓風機特點
高性能:高達2500m3/h的吸氣量和高達780mbar的壓差.
高品質:采用寬壓雙頻,使用零件達到最高要求,運用標準IP55,
F級高效馬達,且通過CE認證,達到最高標準。
低噪音:采用低噪音馬達加一體式的消音設備,噪音極低。
易安裝:可隨時安裝與使用,亦可任意安裝于水平或垂直方向.
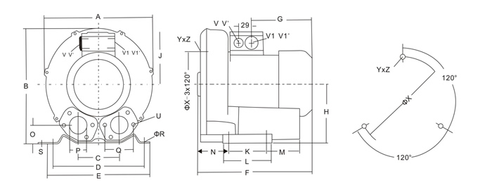
德冠品牌高壓風機尺寸表

|
型號 |
相數 |
曲線編碼 |
A |
B |
C |
D |
E |
F |
G |
H |
J |
K |
L |
M |
N |
O |
P |
Q |
ΦR |
|
2DG 510 H16 |
3 |
|
334 |
337 |
120 |
260 |
295 |
314 |
160 |
175 |
120 |
115 |
155 |
96 |
87 |
48 |
55 |
83 |
14 |
|
型號 |
相數 |
曲線編碼 |
S |
U |
V |
V’ |
V1 |
V1’ |
YxZ |
X-holes |
ΦX |
|
2DG 510 H16 |
3 |
|
4 |
M8 x 17 |
M6 x 1.5 |
M25 x 1.5 |
M25 x 1.5 |
------- |
-------- |
0°/120°/240° |
Φ200 |
德冠品牌高壓風機產品參數表
|
型號 |
相數 |
段數 |
頻率 |
額定功率 |
額定電壓 |
額定電流 |
最大流量 |
最大壓力 |
最大壓力 |
噪聲 |
重量 |
|
Hz |
KW |
V |
A |
m3/h |
吸力 |
吹力 |
dB |
Kg |
|
2DG 510 H16 |
3 |
1 |
50 |
1.3 |
△200-240V/Y345-415V |
△6.6/Y3.8 |
210 |
-170mbar |
170mbar |
64 |
22 |
|
60 |
1.5 |
△220-275V/Y380-480V |
△6.90/Y4.00 |
255 |
-150mbar |
140mbar |
70 |
22 |
*另注:以上參數是指風機在正常工作情況下,允許的最大工作吸力/吹力。